
Physique et Chimie : 1ère Année Collège
Semestre 2 Devoir 3 Modèle 1
Professeur : Mr El GOUFIFA Jihad
Exercice 1 (10 pts)
- Répondre par “Vrai” ou “Faux” :
Pour mesurer le courant électrique, nous utilisons l'ampèremètre : __________
Nous insérons le voltmètre dans le circuit en série : __________
Le sens conventionnel du courant électrique continu est : Du pôle négatif vers le pôle positif : __________
Les bornes de branchement de l’ohmmètre sont les bornes « Ω ,COM » : __________
Plus la valeur de la résistance est grande, plus l’intensité du courant électrique est faible : __________
Le conducteur ohmique est un dipôle : __________
Les sources du courant électrique sont caractérisés par deux bornes + et - : __________
La tension est mesurée par l’ampèremètre
- Compléter le tableau suivant:
| Grandeur physique | Symbolisée par | Unité de mesure | Symbole | Appareil de mesure | ||
| Nom | Symbole | Branchement | ||||
| Tension électrique | ||||||
| Intensité électrique | ||||||
| Résistance électrique | ||||||
- Dans chaque cas, déterminer le sens du courant électrique et si la lampe s'allume ou non :

Dans le laboratoire de la classe, vous remarquez un conducteur ohmique, mais les couleurs des anneaux n'étaient pas claires.
- Quel est l'appareil qui permet de déterminer la valeur de la résistance électrique ?
- L'appareil a donné la valeur , déterminer les couleurs des trois premiers anneaux:
- Déterminer les valeurs des conducteurs ohmiques suivants :
| Conducteur | Couleur anneau 1 | Couleur anneau 2 | Couleur anneau 3 | Résistance |
| Rouge | Vert | Gris | ||
| Noir | Marron | Jaune |
Données
| Couleurs | Noir | Marron | Rouge | Orange | Jaune | Vert | Bleu | Violet | Gris | Blanc |
| Nombres | 0 | 1 | 2 | 3 | 4 | 5 | 6 | 7 | 8 | 9 |
Exercice 2 (6 pts)
Soit les deux circuits :

Sur la figure 1, le voltmètre donne le résultat de la mesure :
- Quelle est la tension mesurée par ? Justifier votre réponse.
- Quelle est la tension mesurée par ? Justifier vos calculs.
Sur la figure 2, le voltmètre donne , le voltmètre indique et le voltmètre indique .
- Convertir en .
- Donner la relation entre , et .
- Calculer la tension du voltmètre aux bornes de la lampe en Volte .
- Convertir en .
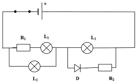
Exerccie 3 (4 pts)
On considère le circuit suivant :

- Quelle est la tension aux bornes de l’interrupteur fermé ?
- Calculer les tensions , et