Retour
  • Sciences de l'ingénieur
  • Accueil
  • !
  • Connexion
  • ar عربية
  • en English
  • Retour au Cours
  • Retour à la section
  • Signaler une erreur
  • 11 mai 2023

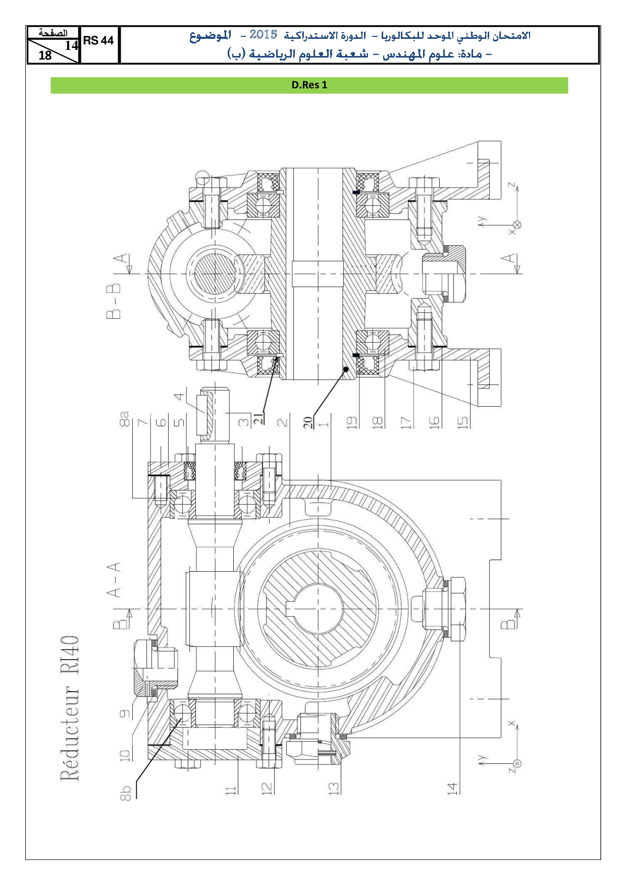
Examen SI SMB 2015 Session Rattrapage - Sujet

  1. Sciences de l'ingénieur: 2eme BAC Sciences Mathématiques B
  2. Examens Nationaux
  3. Examen SI SMB 2015 Session Rattrapage - Sujet
Téléchargez le document
Retour
Maroc
  • Primaire
  • Collège
  • Lycée
France
  • Primaire
  • Collège
  • Lycée
Plus
  • Prépas CPGE
  • Divertissement
  • Vocabulaire
  • Connexion
  • S'inscrire
  • CGU
  • CGV
  • Contact

© 2026 AlloSchool. Tous droits réservés.

Rechercher