Retour
  • Physique et Chimie
  • Accueil
  • !
  • Connexion
  • ar عربية
  • en English
  • Retour au Cours
  • Retour à la section
  • Signaler une erreur
  • 28 octobre 2020

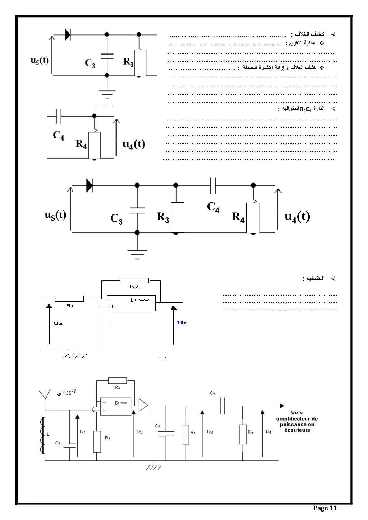
تضمين الوسع - أنشطة 2

  1. الفيزياء والكيمياء: الثانية باك علوم رياضية أ
  2. الموجات الكهرمغنطيسية ونقل المعلومات - تضمين الوسع
  3. تضمين الوسع - أنشطة 2
Téléchargez le document
Retour
Maroc
  • Primaire
  • Collège
  • Lycée
France
  • Primaire
  • Collège
  • Lycée
Plus
  • Prépas CPGE
  • Divertissement
  • Vocabulaire
  • Connexion
  • S'inscrire
  • CGU
  • CGV
  • Contact

© 2026 AlloSchool. Tous droits réservés.

Rechercher