Retour
  • Sciences de l'ingénieur
  • Accueil
  • !
  • Connexion
  • ar عربية
  • en English
  • Retour au Cours
  • Retour à la section
  • Signaler une erreur
  • 16 mai 2023

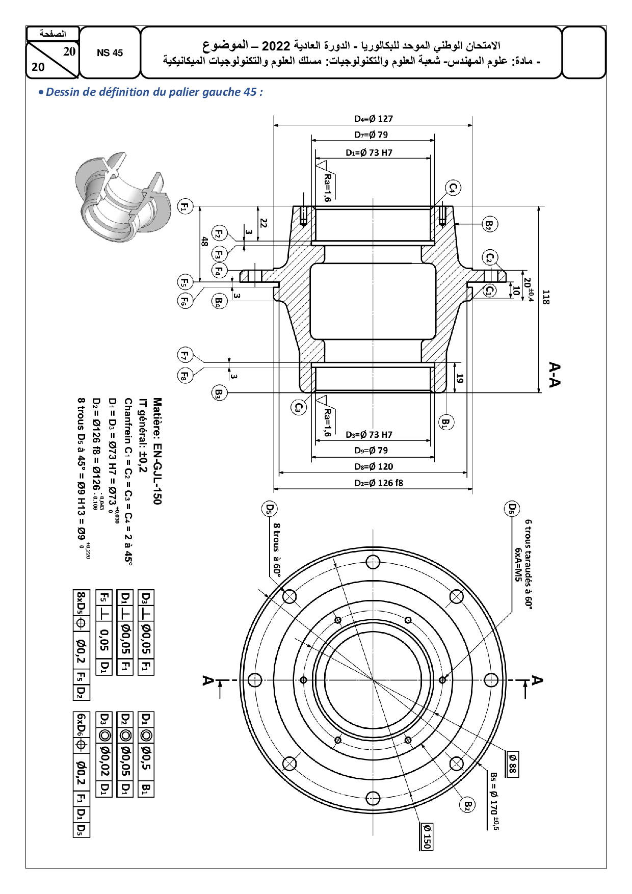
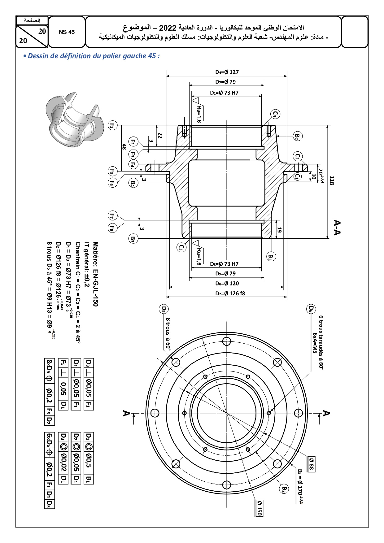
Examen SI 2Bac STM 2022 Session Normale - Sujet

  1. Sciences de l'ingénieur: 2ème BAC Sciences et Technologies Mécaniques
  2. Examens nationaux avec corrigés
  3. Examen SI 2Bac STM 2022 Session Normale - Sujet
Téléchargez le document
Retour
Maroc
  • Primaire
  • Collège
  • Lycée
France
  • Primaire
  • Collège
  • Lycée
Plus
  • Prépas CPGE
  • Divertissement
  • Vocabulaire
  • Connexion
  • S'inscrire
  • CGU
  • CGV
  • Contact

© 2026 AlloSchool. Tous droits réservés.

Rechercher