
Physique et Chimie : Tronc Commun
Séance 17 (Association des conducteurs ohmiques)
Professeur : Mr EL GOUFIFA Jihad
Sommaire
I- Le conducteur ohmique
1-1/ La résistance
1-2/ La loi d’Ohm
1-3/ La résistance d’un fil métallique
1-4/ La conductance d'un conducteur ohmique
1-5/ Le code couleurs des résistances (Rappel)
II- Association des conducteurs ohmiques
2-1/ Association en série
2-2/ Association en parallèle (dérivation)
2-3/ Méthode de calcul de la résistance du dipôle équivalent
III- Diviseur de tension
3-1/ Montage diviseur de tension par résistances
3-2/ Montage diviseur de tension par rhéostat
VI- Exercices
4-1/ Exercice 1
4-2/ Exercice 2
4-3/ Exercice 3
4-4/ Exercice 4
I- Le conducteur ohmique
1-1/ La résistance
Le conducteur ohmique est un dipôle passif caractérisé par une grandeur physique qui s’appelle la résistance, notée .
L’unité de la résistance dans (S.I) est ohm, notée .
La résistance d’un conducteur ohmique est son aptitude à ralentir le passage du courant.
I- Le conducteur ohmique
1-2/ La loi d’Ohm
La tension aux bornes d’un conducteur ohmique, est proportionnelle à L’intensité du courant qui le traverse :
- : tension aux bornes de la résistance
- : valeur de la résistance
- : courant qui traverse la résistance
Pour un récepteur, on utilise la convention : et sont de sens contraire.

I- Le conducteur ohmique
1-3/ La résistance d’un fil métallique
La résistance d’un fil métallique dépend de sa longueur , de sa section et de la nature du matériau qui le constitue :
- : longueur du fil
- : résistivité du matériau
- : section du fil
I- Le conducteur ohmique
1-4/ La conductance d'un conducteur ohmique
La conductance d’un conducteur ohmique est l’inverse de sa résistance :
L’unité de la conductance est le siemens .
I- Le conducteur ohmique
1-5/ Le code couleurs des résistances (Rappel)
Il es possible de déterminer la valeur de la résistance d’un conducteur ohmique en utilisant les anneaux de couleur disposés sur celui-ci par les fabricants :

- Les deux premiers anneaux indiquent les deux premiers chiffres significatifs de la valeur de la résistance.
- Le troisième anneau indique le multiplicateur.
- Le quatrième anneau (soit or soit argent) apporte une indication sur la précision de la valeur de la résistance. Elle est donnée en pourcentage par le fabricant.

II- Association des conducteurs ohmiques
2-1/ Association en série
Deux conducteurs ohmiques de résistance et associés en série sont équivalents à un conducteur ohmique de résistance :

Généralisation
La résistance équivalente à l’association des conducteurs ohmique branchés en série est égale à :

II- Association des conducteurs ohmiques
2-2/ Association en parallèle (dérivation)
Deux conducteurs ohmiques de résistance et associés en dérivation sont équivalents à un conducteur ohmique de résistance :

Généralisation
La résistance équivalente à l’association des conducteurs ohmique branchés en dérivation est égale à :

II- Association des conducteurs ohmiques
2-3/ Méthode de calcul de la résistance du dipôle équivalent
Dans une association de dipôles, tous les éléments ne sont pas obligatoirement tous en parallèle, ou tous en série.
Pour calculer la résistance du dipôle équivalent, il faut alors procéder comme suit :
- si une branche du réseau comporte plusieurs éléments en série, les remplacer par le dipôle équivalent
- chercher ensuite les éléments en parallèle, et les remplacer par le dipôle équivalent
- recommencer les étapes 1 puis 2 jusqu'à ce qu'il ne reste plus qu'un dipôle.
Exemple

III- Diviseur de tension
3-1/ Montage diviseur de tension par résistances
Pour obtenir un générateur de tension variable à partir d’un générateur de tension continue on réalise un montage de diviseur de tension ou montage potentiométrique.
Le diviseur résistif de tension comporte deux résistances en série soumises à une tension .
La tension de sortie est celle d'une des deux résistances :

III- Diviseur de tension
3-2/ Montage diviseur de tension par rhéostat
Le rhéostat est une résistance variable qui possède trois bornes , et :

représente la résistance totale du rhéostat.
Si on déplace le curseur de vers , la résistance utilisé est :

VI- Exercices
4-1/ Exercice 1
On applique aux bornes et du montage suivant une tension électrique :

On donne les valeurs suivantes :
- Calculer la résistance équivalente aux deux résistances et .
- Calculer la résistance équivalente à l’ensemble du circuit (dipôle ).
- Déterminer l’intensité du courant dans la résistance .
- Calculer les tensions , et .
- Déterminer les intensités et dans les résistances et .
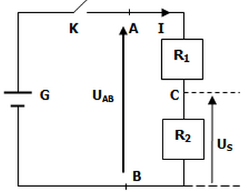
VI- Exercices
4-2/ Exercice 2
Soit le montage suivant :

On donne les valeurs suivantes :
- Calculer l’intensité du courant traversant le conducteur ohmique de résistance .
- Comparer les tensions aux bornes des conducteurs ohmiques et . Justifier.
On donne .
- Calculer la valeur de la tension . Justifier.
- Rappeler la relation entre , et .
- En déduire la valeur de l’intensité du courant traversant . Justifier.
On donne la tension
- Donner la relation entre les tensions , et .
- Calculer la tension . Cette valeur est-elle en accord avec celle trouvée dans la question 3 ?
VI- Exercices
4-3/ Exercice 3
Soit le montage suivant :

On donne les valeurs suivantes :
- Donner la résistance équivalente du dipôle .
- Donner la résistance équivalente du dipôle .
- Donner la résistance équivalente du circuit.
- Donner le schéma d’un circuit équivalent à celui-ci.
- Calculer l’intensité du courant délivre par le générateur.
VI- Exercices
4-4/ Exercice 4
Soit le montage suivant :

On donne les valeurs suivantes :
- Représenter et .
- Que vaut ?
- Représenter le sens des courants.
- Calculer
- Calculer
- Calculer
- Calculer
- Calculer
- Calculer
- Calculer
- Calculer
- Calculer
- Calculer la résistance équivalente aux 5 résistances en 4 étapes rédigées.