
Physique et Chimie : 1ère Année Collège
Séance 19 (La loi des nœuds - La loi d'additivité des tensions)
Professeur : Mr El GOUFIFA Jihad
Sommaire
I- Introduction
II- Lois de l’intensité du courant électrique
2-1/ L’intensité du courant dans un circuit en série
2-2/ L’intensité du courant dans un circuit en dérivation (Loi des nœuds)
III- Lois de la tension électrique
3-1/ La tension électrique dans un circuit en série
3-2/ La tension électrique dans un circuit en dérivation
IV- Exercices
4-1/ Exercice 1
4-2/ Exercice 2
4-3/ Exercice 3
4-4/ Exercice 4
I- Introduction
Les lampes identiques de cette guirlande sont associées en série, elles cessent de fonctionner dès que l’une est dévissée.
Alors que dans un montage en dérivation, elles continuent de fonctionner même si l’une est dévissée.
- Comment sont réparties la tension et l’intensité du courant électrique dans ce montage ?
II- Lois de l’intensité du courant électrique
2-1/ L’intensité du courant dans un circuit en série
Expérience
On mesure l'intensité du courant électrique en différents points d’un circuit en série:

Observation
Les trois ampèremètres indique la même valeur de l’intensité:
Conclusion
L’intensité du courant électrique est la même en tout point du circuit en série, on dit que dans un circuit en série il y a unicité d’intensité .
C’est la loi d’unicité de l’intensité.
II- Lois de l’intensité du courant électrique
2-2/ L’intensité du courant dans un circuit en dérivation (Loi des nœuds)
Expérience
On réalise un montage qui comporte une branche principale (celle où se trouve le générateur) et deux branches dérivées, puis on mesure l’intensité dans chaque branche:

Observation
Les trois ampèremètres indique les valeurs suivantes de l’intensité:
On remarque que:
Conclusion
Dans un circuit avec dérivations, l’intensité du courant dans la branche principale est égale à la somme des intensités des courants dans les branches dérivées.
C'est la loi des nœuds : La somme des intensités des courants entrants dans un nœud est égale à la somme des intensités des courants sortants du même nœud.

III- Lois de la tension électrique
3-1/ La tension électrique dans un circuit en série
Expérience
On mesure la tension électrique aux bornes de différents dipôles dans un circuit en série:

Observation
On observe que les voltmètres affichent:
On déduit que:
Conclusion
Dans un circuit en série, la tension aux bornes du générateur est égale à la somme des tensions aux bornes de chacun des dipôles.
C'est la loi d'additivité des tensions.
III- Lois de la tension électrique
3-2/ La tension électrique dans un circuit en dérivation
Expérience
On mesure la tension électrique aux bornes de différents dipôles dans un circuit en dérivation:

Observation
Les trois voltmètres indiquent la même valeur de la tension:
Conclusion
La tension aux bornes des dipôles branchés en dérivation avec un générateur est la même, elle est égale à la tension entre les bornes du générateur.
C’est la loi d’unicité des tensions.
IV- Exercices
4-1/ Exercice 1
Compléter les phrases par les mots suivants :
nœuds – nœud- égale – sortants - série - somme - court-circuit.
Dans un circuit _____________ l’intensité de courant est la même en tout point du circuit
La somme des intensités de courant entrant à un _____________ est _____________ à la somme des intensités de courant _____________ au nœud . C’est la loi des _____________ .
Dans un circuit en série, la tension aux bornes de générateur U est égale à la _____________ des tensions aux bornes des autres dipôles
Il y a _____________ quand on relie les deux bornes d’un dipôle par un fil conducteur.
IV- Exercices
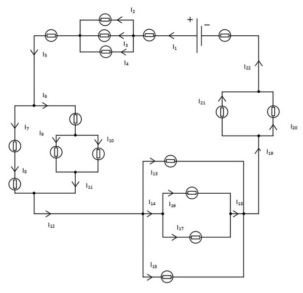
4-2/ Exercice 2
Soit le circuit électrique suivant:

On donne:
1- Trouver la valeur des courants manquants:
|
|
IV- Exercices
4-3/ Exercice 3
Soit le circuit électrique suivant:

On a mesuré la tension:
- aux bornes du générateur U = 12 V
- aux bornes de la lampe L1 (U1 = 4,5 V)
- aux bornes de la lampe L4 (U4 = 5,5 V)
1- Quelle est la valeur de la tension U2 aux bornes de la lampe L2 ? Justifier.
2- Quelle est la valeur de la tension U3 aux bornes de la lampe L3 ? Justifier.
3- Quelle est la valeur de la tension U5 aux bornes de la lampe L5 ? Justifier.
4- Quelle est la valeur de la tension U6 aux bornes de la lampe L6 ? Justifier.
IV- Exercices
4-4/ Exercice 4
Dans le circuit schématisé ci-contre le voltmètre indique , le voltmètre indique et le voltmètre indique :

- Quel est le montage utilisé pour la lampe et la résistance ?
- Comment sont montés le moteur et la lampe ? la résistance et l’ensemble moteur et la lampe ?
- Quelle est la valeur de la tension entre les bornes de la résistance ? Justifier la réponse.
- Quelle est la valeur de la tension entre les bornes du moteur ? Justifier la repense.
On ajoute une troisième lampe en dérivation aux bornes de l’ensemble moteur/lampe .
- Donner la valeur des tensions entre les bornes de chaque dipôle.