Retour
  • Sciences Industrielles de l'Ingénieur (SII)
  • Accueil
  • !
  • Connexion
  • ar عربية
  • en English
  • Retour au Cours
  • Retour à la section
  • Signaler une erreur
  • 05 avril 2021

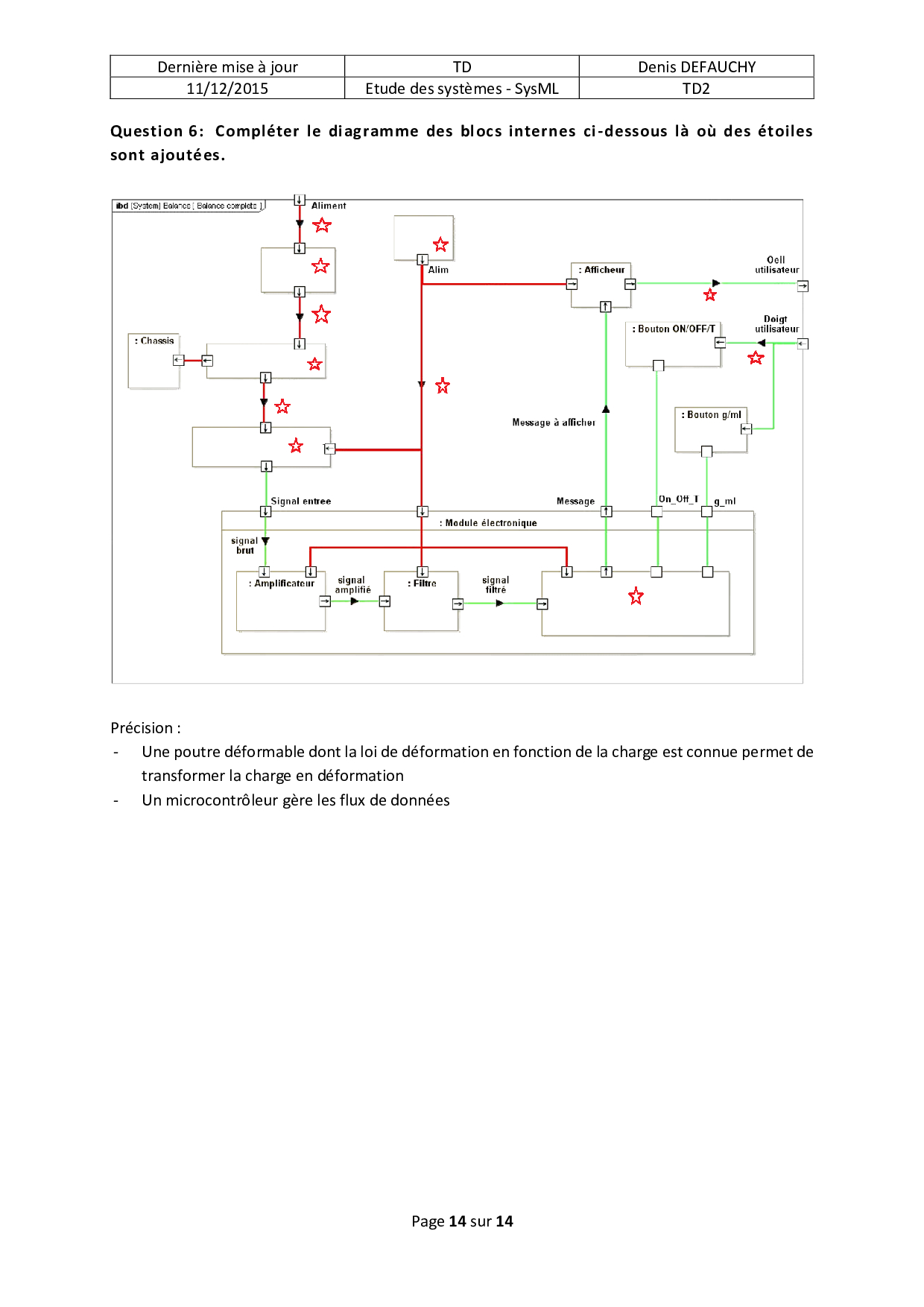
TD2 : Diagrammes SysML (Balance HALO)

  1. Sciences Industrielles de l'Ingénieur (SII) PTSI
  2. Étude des systèmes - SysML
  3. TD2 : Diagrammes SysML (Balance HALO)
Téléchargez le document
Retour
Maroc
  • Primaire
  • Collège
  • Lycée
France
  • Primaire
  • Collège
  • Lycée
Plus
  • Prépas CPGE
  • Divertissement
  • Vocabulaire
  • Connexion
  • S'inscrire
  • CGU
  • CGV
  • Contact

© 2026 AlloSchool. Tous droits réservés.

Rechercher