Retour
  • Sciences Industrielles de l'Ingénieur (SII)
  • Accueil
  • !
  • Connexion
  • ar عربية
  • en English
  • Retour au Cours
  • Retour à la section
  • Signaler une erreur
  • 20 mars 2019

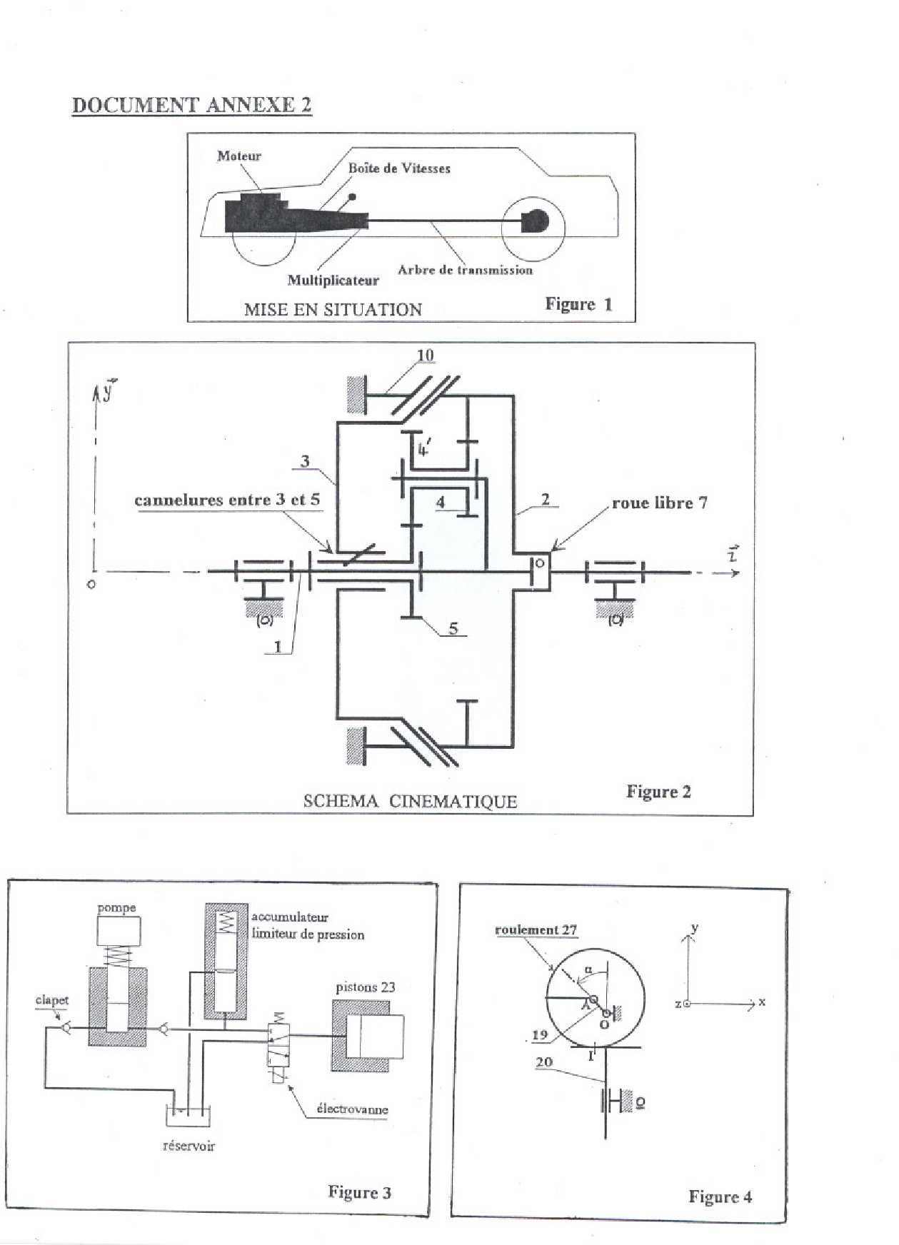
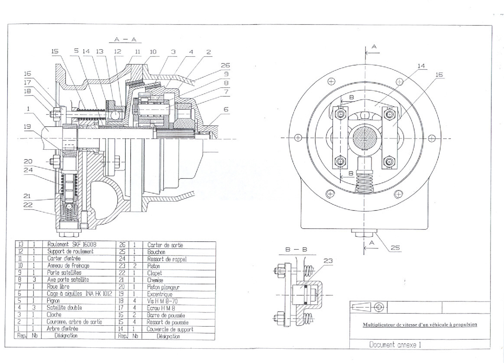
CNC TSI 2006 Génie Mécanique Epreuve

  1. Concours Sciences Industrielles TSI
  2. Concours National Commun (CNC)
  3. CNC TSI 2006 Génie Mécanique Epreuve
Téléchargez le document
Retour
Maroc
  • Primaire
  • Collège
  • Lycée
France
  • Primaire
  • Collège
  • Lycée
Plus
  • Prépas CPGE
  • Divertissement
  • Vocabulaire
  • Connexion
  • S'inscrire
  • CGU
  • CGV
  • Contact

© 2026 AlloSchool. Tous droits réservés.

Rechercher