Retour
  • Sciences Industrielles de l'Ingénieur (SII)
  • Accueil
  • !
  • Connexion
  • ar عربية
  • en English
  • Retour au Cours
  • Retour à la section
  • Signaler une erreur
  • 05 avril 2021

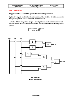
Cours : Représentation d’un modèle de fonctionnement logique

  1. Sciences Industrielles de l'Ingénieur (SII) MPSI
  2. Logique combinatoire
  3. Cours : Représentation d’un modèle de fonctionnement logique
Téléchargez le document
Retour
Maroc
  • Primaire
  • Collège
  • Lycée
France
  • Primaire
  • Collège
  • Lycée
Plus
  • Prépas CPGE
  • Divertissement
  • Vocabulaire
  • Connexion
  • S'inscrire
  • CGU
  • CGV
  • Contact

© 2026 AlloSchool. Tous droits réservés.

Rechercher