
Physique et Chimie : Tronc Commun
Séance 22 (Le transistor bipolaire)
Professeur : Mr EL GOUFIFA Jihad
Sommaire
I- Présentation du transistor bipolaire
1-1/ Le dopage de semi-conducteur
1-2/ Définition du transistor bipolaire
1-3/ Représentation du transistor bipolaire
II- Fonctionnement du transistor NPN
2-1/ Polarisation du transistor NPN
2-2/ Caractéristiques du transistor NPN
2-3/ Caractéristiques du transistor NPN
2-4/ Le transistor considéré comme un quadripôle
III- Régimes de fonctionnement du transistor
3-1/ Transistor en régime de commutation
3-2/ Transistor en régime linéaire
3-3/ Récapitulatif
IV- Montages électroniques à transistor
4-1/ Détecteur de lumière
4-2/ Indicateur d’échauffement
V- Exercices
5-1/ Exercice 1
5-2/ Exercice 2
5-3/ Exercice 3
5-4/ Exercice 4
I- Présentation du transistor Bipolaire
1-1/ Le dopage de semi-conducteur
Dans le domaine des semi-conducteurs, le dopage est l'action d'ajouter des impuretés en petites quantités à une substance pure afin de modifier ses propriétés de conductivité.
Il existe deux types de dopage :
- Le dopage de type N, qui consiste à insérer des atomes de type donneur d'électrons afin d'obtenir une plus forte densité d'électrons libres, qui sont négativement chargés.
- le dopage de type P, qui consiste à insérer des atomes de type accepteur d'électrons afin d'obtenir une plus faible densité d'électrons libres, donc un excès de trous, considérés comme positivement chargés.

I- Présentation du transistor bipolaire
1-2/ Définition du transistor bipolaire
Le transistor bipolaire est créé en juxtaposant trois couches de semi-conducteur dopés N, P puis N pour le transistor NPN (courant dû à un flux d’électrons) ou dopés P, N puis P pour le transistor PNP (courant dû à un flux de trous).
Le niveau de dopage décroît d’un bout à l’autre de la structure.
Par construction, les jonctions base - émetteur et base - collecteur ne sont pas identiques. Le transistor ne fonctionne pas de manière symétrique :
- Le collecteur et l'émetteur ont des dopages très différents.
- L'émetteur est beaucoup plus dopé que la base.
- La base est plus mince.
- La flèche qui repère l'émetteur indique le sens passant de la jonction base - émetteur.

I- Présentation du transistor bipolaire
1-3/ Représentation du transistor bipolaire
L'émetteur est repéré par la flèche qui symbolise le sens réel du courant.

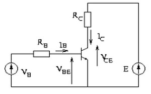
II- Fonctionnement du transistor NPN
2-1/ Polarisation du transistor NPN
de la jonction PN
La jonction BE est polarisée en direct, mais n'est pas passante
Il faut pour polariser correctement le transistor.
la jonction BC est polarisée en inverse,

II- Fonctionnement du transistor NPN
2-1/ Polarisation du transistor NPN
de la jonction PN
La jonction BE est passante et .
Ce courant est constitué d'un flux d'électrons allant de l'émetteur vers la base.
Les électrons arrivant dans la base peuvent rester libres longtemps avant d'être piégés.
La base étant fine, ils arrivent à la 2ème jonction et passent dans le collecteur.
La majorité des électrons injectés par l'émetteur traversent la base et se retrouvent dans le collecteur.
Il en résulte un courant positif de valeur bien supérieure à .

II- Fonctionnement du transistor NPN
2-2/ Caractéristiques du transistor NPN
Pour débloquer (rendre passant) le transistor NPN, il faut que la jonction base-émetteur soit polarisée en direct avec une tension supérieure à la tension de seuil VS de cette diode : .
La caractéristique est celle de la diode base-émetteur en ne considérant que le courant de trou.
Ici le courant de trous est bien plus faible que le courant d’électrons.

II- Fonctionnement du transistor NPN
2-3/ Caractéristiques du transistor NPN
Si la jonction BC est polarisée en inverse, alors le courant d’électrons peut traverser cette jonction.
Dans ce cas le courant est indépendant de : régime linéaire
Si , alors aucun courant ne circule entre l’émetteur et le collecteur.
Le basculement entre ces deux fonctionnements se produit à la tension (sat pour saturation) : le courant n’est pas proportionnel à .

II- Fonctionnement du transistor NPN
2-4/ Le transistor considéré comme un quadripôle
Le transistor ayant trois électrodes, l'une d'elles sera commune à l'entrée et à la sortie. Il en résulte trois montages principaux :
| Montage | Émetteur commun | Collecteur commun | Base commune |
| Entrée | Base | Base | Émetteur |
| Sortie | Collecteur | Émetteur | Collecteur |
| Schéma | ![]() |
![]() |
![]() |
III- Régimes de fonctionnement du transistor
3-1/ Transistor en régime de commutation
Région de blocage
Pour , et
La jonction CB est polarisée en inverse.
Il existe donc un faible courant de fuite .
En pratique ce courant est négligé et on considère le transistor comme un circuit ouvert.
On dit que le transistor est bloqué.

III- Régimes de fonctionnement du transistor
3-1/ Transistor en régime de commutation
Région de saturation
Pour de la jonction PN, on a :
Lorsque , on peut négliger , d'où :
Si
Lorsque
Si encore, mais , donc la relation n'est plus vérifiée.
Le transistor est saturé : et

III- Régimes de fonctionnement du transistor
3-2/ Transistor en régime linéaire
En régime linéaire, le courant collecteur est proportionnel au courant base :
La tension base-émetteur est supérieure ou égale à la tension de seuil.
On reste dans le régime linéaire tant que la tension collecteur-émetteur est supérieure à la tension de saturation.
Le transistor est considéré comme une source de courant commandée par le courant .

III- Régimes de fonctionnement du transistor
3-3/ Récapitulatif

IV- Montages électroniques à transistor
4-1/ Détecteur de lumière
La photorésistance (LDR) est un dipôle dont la résistance diminue lorsque l’intensité lumineuse reçue augmente.
Dans l’obscurité, sa résistance est très grande (quelques mégaohms), le courant de base qui la traverse a une intensité beaucoup trop faible, car , ce qui rend le transistor bloqué, et la lampe L ne s’allume pas.
Lorsqu’on expose la photorésistance à la lumière, sa résistance diminue (devient de l’ordre de quelques centaines d’ohms), le courant augmente, le transistor devient passant, le courant atteint alors une intensité suffisante pour allumer la lampe L.
Dans ce montage, le transistor fonctionne selon la loi de “tout ou rien”, puisqu’il passe de l’état de blocage à l’état de saturation.
Ce dispositif peut être utilisé comme système d’alarme, il suffit de remplacer la lampe L par une sirène.

IV- Montages électroniques à transistor
4-2/ Indicateur d’échauffement
L’indicateur d’échauffement utilise une résistance thermique de type CTN (thermistance à coefficient de température négatif).
À température normale du liquide, la résistance thermique présente une grande résistance. Le courant du circuit de base est presque nul, ce qui bloque le transistor et la lampe ne s’allume
pas.
Quand la température du liquide augmente, la résistance de la CTN diminue et le courant passe dans le circuit de base rendant le transistor passant, ce qui allume la LED, indiquant que la température du liquide a atteint la valeur voulue.
Ce montage électronique s’utilise :
- Pour détecter le réchauffement excessif du circuit de refroidissement d’une voiture.
- Pour détecter le réchauffement de l’huile de lubrification d’un moteur thermique.
- Dans le système d’alarme d’incendie.

V- Exercices
5-1/ Exercice 1
Le montage suivant comporte :
- Un transistor NPN de gain statique .
- Un générateur G de f.e.m et de résistance interne négligeable.
- Un conducteur ohmique de résistance et un autre conducteur ohmique .
- Un interrupteur .
On ferme l’interrupteur , la tension :

- Trouver l’expression, de l’intensité de l’émetteur en fonction du courant collecteur et de .
- En appliquant la loi d’additivité des tensions dans le circuit collecteur, calculer .
- En déduire et .
V- Exercices
5-2/ Exercice 2
On considère le montage électronique suivant :

- Trouver les valeurs des résistances et pour que le transistor fonctionne selon les conditions suivantes :
- Calculer le coefficient d’amplification statique .
V- Exercices
5-3/ Exercice 3
On réalise la chaîne électronique de la figure suivante, qui comporte :
- Un transistor NPN de gain statique et en régime linéaire.
- Un générateur G de f.e.m et de résistance interne négligeable.
- Un conducteur ohmique de résistance .
- Une thermistance (CTN) de résistance :
- quand la température est .
- quand la température est .
- Une lampe qui s’allume lorsque le courant.qui la traverse dépasse .

- Montrer que le courant de base a pour expression :
- Calculer aux températures et .
- Que peut-on en déduire ?
- Proposer une utilisation pratique de ce montage.
V- Exercices
5-4/ Exercice 4
Dans le montage suivant, le transistor a un coefficient d’amplification statique et lors de son fonctionnement en régime linéaire.
Le dispositif de commande est une photorésistance dont la résistance varie de à l’obscurité, à la valeur de quand elle est exposée à la lumière intense.
Le dispositif d’utilisation est une lampe qui nécessite un courant de pour s’allumer :

- Pour quelle valeur de le transistor est bloqué ? Quand on expose la LDR à la lumière intense ?
- Montrer que la lampe L s’allume lorsqu’on plonge la LDR dans l’obscurité.
- Quelles sont les utilisations pratiques possibles de cette chaîne électronique ?


